Interior Blank Jamb Leg (Stain Grade Poplar)
Couldn't load pickup availability
Jamb leg for interior doors. Comes "blank" or without any hinge or lock prep so that it can be routed out at the job site for hinges or lock strike as needed. Stain grade poplar can be stained or painted to match your desired look. Solid poplar in double rabbeted construction means the stop is built into the jamb (rather than applied separately), providing unparalleled durability, stability, and ease of installation.
Key Specifications:
- Designed for interior doors 1 3/8" or 1 3/4" thick
- Length: Select 81 3/4", 85 3/4", or 97 3/4"
- 81.75" long jamb fits up to an 80.0" door, 97.75" jamb fits up to a 96.0" door, 85.75" fits up to a 84.0" door
- Leaves clearance for carpet, and jambs can also be easily trimmed shorter off bottom as needed (e.g., the 97.75" jamb can be trimmed to fit a 90" door, etc.)
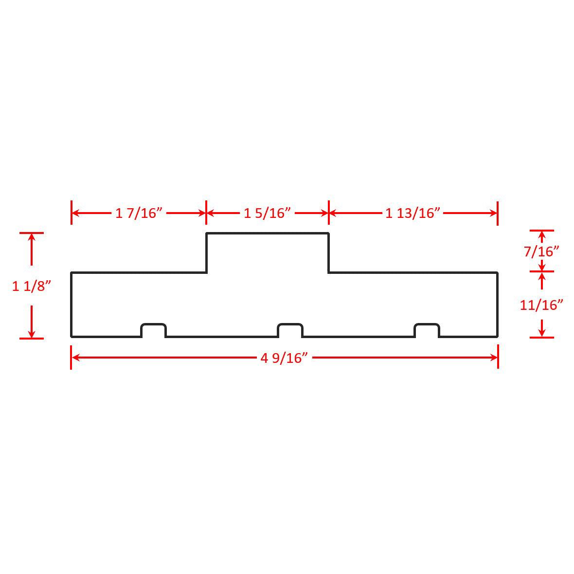
- Depth: Select 4 9/16" or 6 9/16"
- 4 9/16" are standard depth jambs for use with typical (2x4) construction
- 6 9/16" are extended depth jambs for use with (2x6) construction
- Thickness: 1 1/8" including stop, 11/16" thick not including stop
Handing & Prep:
- Select Right or Left Hand side:
- Stand in the room that the door swings into -- if you need the jamb on the right hand side select "right hand" and alternatively if you need the jamb on the left hand side select "left hand"
- Note if you are purchasing for a 1.75" thick door you will need to use the opposite side / select the opposite (if only purchasing a single jamb)
- Prep specifications:
- Blank prep jambs can be used for custom hinge or lock prep
Additional Specifications:
- Notched out for head jamb (sold separately)
- Solid poplar construction
- Stain grade wood - perfect for painting or staining
Stain grade poplar with rich grain, durability, and longevity. Resists rot, twisting, warping, cracking while lasting for years of continued operation. Combine this with a wood that is easy to work with a chisel or trim with a saw and you have the ideal wood for framing the doors in your home.
This wood takes paint (oil-based or latex) extremely well.
While paint looks good on poplar, you can make it look like more expensive, fine-grained woods by staining. We recommend gel stains for ease of application and beautiful results.
Quickly assembly a new premium door frame by nailing leg jambs together with our poplar interior door head jambs. We recommend 1.5" brad nails.
Poplar is a great wood to work with and can be easily shaped or trimmed to retrofit in an existing frame or used in new construction to quickly correct any slight alignment issues.























